電磁脈沖閥的噴氣時間是指脈沖閥開始噴吹的時間。一般認為噴氣時間越長,吹入除塵濾袋的壓縮氣體量越大,除塵效果越好。然而,噴氣時間增加到峰值后,對除塵效果的影響并不明顯。隨著噴氣時間的增加,除塵器的壓力降迅速下降,當噴氣時間達到峰值時,壓降很小,但壓縮空氣量成倍增加。因此,通過調整噴氣時間來降低脈沖袋式除塵器的壓力是有限的。
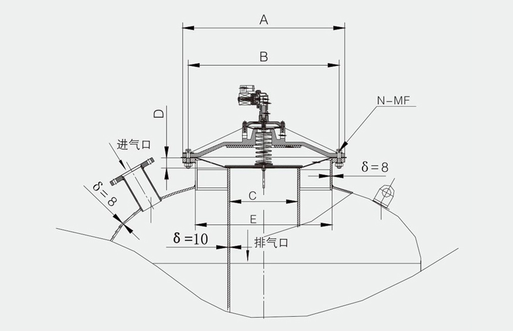
產品參數
| 型號 | 標準應用氣包容積 | 規格 | 安裝尺寸 | 安裝尺寸 | ||||||
|---|---|---|---|---|---|---|---|---|---|---|
| 英制(寸) | 公制(毫米) | A | B | C | D | E | N | MF | ||
| DMY-III-200C | 1.3~1.8m3 | 8″ | DN200 | φ490 | φ457 | φ200 | 35±0.1 | φ430 | 12 | M10 |
| DMY-III-250C | 1.3~2.2m3 | 10″ | DN250 | φ600 | φ560 | φ255 | 40±0.1 | φ514 | 16 | M12 |
| DMY-III-300C | 1.5~2.5m3 | 12″ | DN300 | φ730 | φ680 | φ305 | 46±0.1 | φ616 | 16 | M16 |
| DMY-III-350C | 1.5~2.8m3 | 14″ | DN350 | φ842 | φ780 | φ336 | 57±0.1 | φ716 | 20 | M20 |
| DMY-III-400C | 1.8~3.5m3 | 16″ | DN400 | φ940 | φ870 | φ406 | 50±0.1 | φ806 | 24 | M24 |
協昌環保自2016年至今,協昌環保一直專注于物聯網技術與袋式除塵技術結合,開發煙氣治理云平臺及與之配套的袋式除塵智能電磁脈沖閥,展現傳統除塵設備數字化、信息化和智能化的整體解決方案。
未來,蘇州協昌也將聚焦于此,持續以工業物聯網技術為基礎,以電磁脈沖閥的智能化為支點,以潔塵云為平臺,為袋式除塵客戶提供端、邊、云一體全方位的產品體系、整體解決方案及運維服務,推動以袋式除塵為代表的工業煙塵治理智能化進程;協昌致力于“讓煙塵治理更便捷,讓空氣更清潔”的使命,創造“讓工業制造像生活一樣美好”的愿景!



