電磁脈沖閥是脈沖袋式除塵器噴吹除塵系統的主要設備,是將壓縮空氣噴吹到除塵袋中的開關,由脈沖控制器的輸出信號控制。除塵器很多采用蘇州協昌的電磁脈沖閥,將除閥體進氣口與儲氣管金屬管連接外,閥體本身無軟管連接,形狀新穎,結構合理,安裝方便,工作可靠,使用壽命長,清洗力大,功耗小,閥體采用鋁合金壓鑄,表面處理后具有一定的耐腐蝕性。
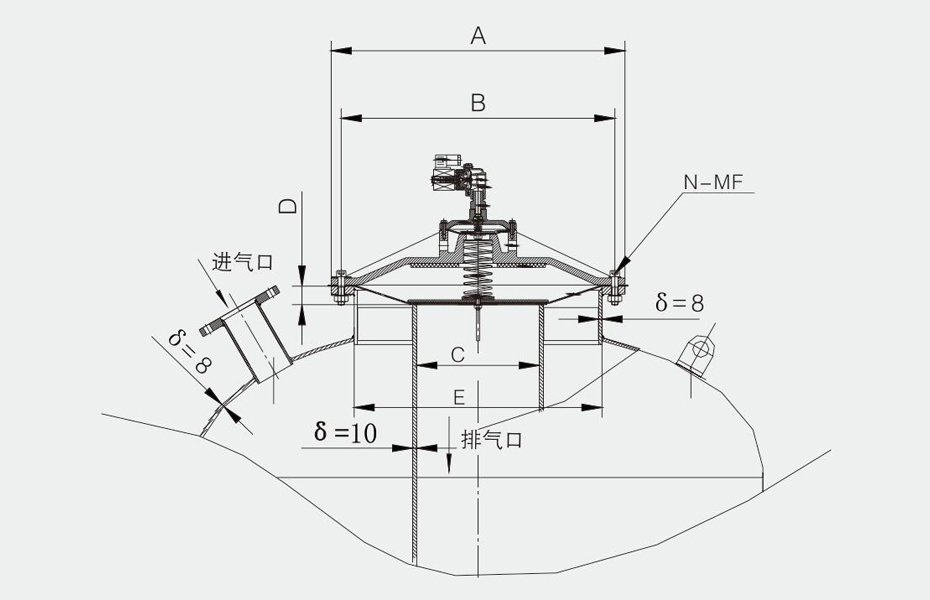
一、旋噴吹大口徑電磁脈沖閥DMY-III系列外形尺寸

型號 | 標準應用氣包容積 | 規格 | 安裝尺寸 | 螺栓 | ||||||
英制(寸)
| 公制(毫米) | A | B | C | D | E | N | MF | ||
DMY-III-200C | 1.3~1.8m3 | 8″ | DN200 | φ490 | φ457 | φ200 | 35±0.1 | φ430 | 12 | M10 |
DMY-III-250C | 1.3~2.2m3 | 10″ | DN250 | φ600 | φ560 | φ255 | 40±0.1 | φ514 | 16 | M12 |
DMY-III-300C | 1.5~2.5m3 | 12″ | DN300 | φ730 | φ680 | φ305 | 46±0.1 | φ616 | 16 | M16 |
DMY-III-350C | 1.5~2.8m3 | 14″ | DN350 | φ842 | φ780 | φ336 | 57±0.1 | φ716 | 20 | M20 |
DMY-III-400C | 1.8~3.5m3 | 16″ | DN400 | φ940 | φ870 | φ406 | 50±0.1 | φ806 | 24 | M24 |
二.技術標準:
工作壓力:0.05~0.1MPa
工作介質:清潔空氣
電壓:DC24V(AC220V/50HZ)
電流:0.8A(0.05A)
溫度:-25℃~100℃(常態),120℃(瞬態)
三.安裝說明:
1、氣包安裝尺寸必須符合說明書要求,安裝前所有配合面必須清理清潔;
2、氣包安裝端面,必須光潔,不得有毛刺、銳角、焊渣等一切影響膜片壽命的異物存在;
3、膜片安裝時(閥體安裝前),膜片孔的位置必須與氣包法蘭孔位置對齊;
4、膜片組件有凸出環形面必須與氣包排氣管端面配對;
5、閥體安裝時注意彈簧必須放在膜片彈簧固定盤槽內;
6、閥體安裝完成后,氣包上加消音防護罩,以保證閥體清潔、干燥,增加閥的使用壽命,減少噪聲污染。
關于協昌環保
協昌環保自2016年至今,協昌環保一直專注于物聯網技術與袋式除塵技術結合,開發煙塵治理云平臺及與之配套的袋式除塵智能電磁脈沖閥,展現傳統除塵設備數字化、信息化和智能化的整體解決方案。
未來,蘇州協昌也將聚焦于此,持續以工業物聯網技術為基礎,以電磁脈沖閥的智能化為支點,以潔塵云為平臺,為袋式除塵客戶提供端、邊、云一體全方位的產品體系、整體解決方案及運維服務,推動以袋式除塵為代表的工業煙塵治理智能化進程;協昌致力于“讓煙塵治理更便捷,讓空氣更清潔”的使命,創造“讓工業制造像生活一樣美好”的愿景!


